KAVAN Brushless Motor PRO 2811-1800

Kód zboží: KAV30.2006 EAN: 8596450022447
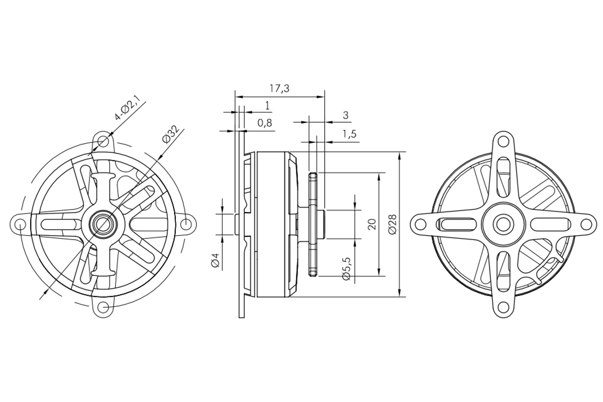
Střídavý elektromotor s rotačním pláštěm pro modely letadel: větroň 250g, trenér 250g, akro 200g, 3D 150g, KV1800 ot./min na V, napájení Lixx 2-3s. Hřídel 4,0mm/gumičkový unašeč 5,5mm. Alternativní označení podle rozměrů statoru: 2204-1800.
  • Cena vč. DPH:619 Kč
  • Cena bez DPH:512 Kč
  • Původní cena:619 Kč
  • Dostupnost: Nedostupné

Motory KAVAN PRO jsou vysokovýkonné bezkomutátorové (střídavé, "brushless") čtrnáctipólové elektromotory s rotačním pláštěm ("outrunner") s vynikajícími elektrickými vlastnostmi, propracovanou konstrukcí a špičkovým výrobním zpracováním. Hřídele z tvrzené oceli a kvalitní ložiska zajišťují vysokou životnost, jakostní materiály použité pro zhotovení statoru i rotoru zaručují rovněž výborné výkonové parametry při vysoké účinnosti. Jsou to nízkootáčkové motory s velkým kroutícím momentem zvládající vrtule o velkém průměru i stoupání bez potřeby převodovky.

Systém označování motorů: PRO xxYY-zzzz
PRO - střídavý motor s rotačním pláštěm ("outrunner", "oběžka")
xx - průměr motoru v mm
YY - délka motoru v mm
zzzz - počet otáček na volt (ot./min na V), „KV“

KAVAN PRO 2811-1800

KAVAN PRO 2811-1800 je miniaturní střídavý motor učený pro pohon malých modelů s letovou hmotností do 250 g s napájením z dvoučlánkového nebo tříčlánkového akumulátoru LiPo. S jeho pomocí můžete úspěšně "elektrifikovat" např. gumáčky ze stavebnic Guillow's nebo Dumas s rozpětím do cca 1000 mm, výborný je i pro park-flyery a halové akrobatické modely.

Montáž motoru: KAVAN PRO PRO 2811-1800 je konstruován pro zadní montáž s vrtulí upevněnou pomocí gumičkového unašeče (Ø5,5 mm). Při montáži použijte nejméně dva (protilehlé), nebo čtyři šrouby M2. Motorová přepážka by měla být z 1-1,5 mm letecké překližky. Upevňovací kříž je součástí motoru.

Sada motoru obsahuje: motor KAVAN PRO PRO 2811-1800 s kabely (bez konektorů), příslušenství gumičkového unašeče. Úplný návod k obsluze motoru si můžete stáhnout zde: Střídavé motory KAVAN PRO - Návod k obsluze

Pozn.: Alternativní označení dle rozměrů statoru 2204-1800.

Napájení LiXX článků 2 - 3
Otáčky na volt [ot./min/V] 1800
Max. výkon (180 s) [W] 110
Vnitřní odpor [mOhm] 138
Proud naprázdno (při 10 V) [mA] 500
Max. špičkový proud (180 s) [A] 13
Průměr [mm] 28
Délka [mm] 11
Délka celková [mm] 17.3
Průměr hřídele [mm] 4
Hmotnost [g] 20
Počet pólů 14
Časování [°] 20 - 25
Regulátor [A] 15 - 20
Větroň do hmotnosti [g] 250
Trenér do hmotnosti [g] 250
Akrobat do hmotnosti [g] 200
3D do hmotnosti [g] 150
 
Doporučená vrtule 2S: 8x4"-9x5"
3S: 7x3.5"
QR kód
Nákupní košík

Košík je prázdný

Výrobci
Přihlášení zákazníka

RC modely letadel